IIT Gen2+ LUX2-6425MW
LUX2-6425MW – Generation 2+ image intensifier tube with S25® multialkali photocathode, auto-gating, and ABC control. Provides clear, high-contrast images in low-light environments with a lifetime of over 10,000 hours, built for demanding night vision applications.
Description
Description
The Intensifier Tube Generation 2+ LUX2-6425MW is a high-performance image intensifier designed for advanced night vision applications. Featuring an S25® multialkali photocathode and P43/P45 phosphor screen, it delivers superior sensitivity and image clarity under extremely low-light conditions. Equipped with auto-gating power supply and automatic brightness control (ABC), it ensures stable performance even in dynamic lighting environments. Its anti-fogging input window and rugged construction make it highly reliable in harsh operational environments. With a long service life (MTTF ≥ 10,000 hours) and excellent environmental adaptability, the LUX2-6425MW is ideal for integration into night vision goggles, weapon sights, and surveillance systems.
Product Introduction
This upgraded model in the LUX 2nd Generation series boasts an FOM value exceeding
1600 and utilizes auto-gating power supply technology. It offers a wider dynamic range,
enabling adaptation to diverse complex environments. Even under fluctuating external
lighting conditions, it provides users with a more comfortable viewing experience.
Features
Automatic Brightness Control (ABC)
Auto-Gating Power Supply Unit (PSU)
Anti-Fogging Glass Input Window
Selectable contact-Type Electrical Interface
– Dual-Lead
– Triple-Lead
– Three-Wire
– Pigtail
Spherical Inverted Image Output Window
Technical Specifications
| Model | LUX2-6425MW |
| Description | Inverter 180° |
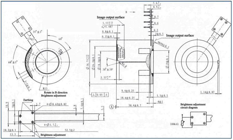
| Dimensions (mm) | Ø 36.75-0.05 × 30.4±0.7 |
| Contacts type | Pigtail / Contact plates |
| Photocathode useful diameter (mm) | 17.5 |
| Photocathode type | S25° Multialkali |
| Phosphor | P43 (also available in P45) |
| Material of input/output window | Glass thickness 5.6 mm / FOE inverting, concave |
| Parameters | Minimum |
| Luminous photocathode sensitivity (µA/lm) | 800 |
| Radiant (850 nm) mA/W | 53 |
| Limiting resolution (lp/mm) | 64 |
| Signal-to-noise ratio | 25 |
| FOM | 1600 |
| Gain | 25,000–30,000 (on Buyer’s request) |
| Max. output brightness (cd/m²) | 4–8 |
| Modulation transfer function (MTF) | 92%; 72%; 50%; 28% |
| Power supply | Auto gating |
| E.B.I. (µlx max) | 0.2 |
| Input voltage (V) | 2–3.4 |
| Input current (mA max) | 25 |
| Weight (g) | ≤ 75 |
| MTTF (h) | 10,000 |
Additional options:
– Shock-Resistant Design
– Optional P43 / P45 Phosphor Types
– External Brightness / Gain Adjustment (Optional)
Environmental Adaptability:
– Operational temperature: -45°C ~ +52°C
– Relative humidity at +40°C ~ 93%
Manufacturer’s warranties:
– 1 year warranty from the date of purchase.
– Mean time to failure – not less than 10,000 hours.
Purity of visual area
| Dark spots (Contrast >30%) Diameter (µm) | < Φ5.6mm | Φ5.6mm ~ Φ14.7mm | Φ14.7mm ~ Φ17.8mm |
| > 300 | 0 | 0 | 0 |
| 230 ~ 300 | 0 | 0 | 0 |
| 150 ~ 230 | 0 | 1 | 1 |
| 75 ~ 150 | 0 | 2 | 2 |
Dimensional drawing




