IIT Gen2+ LUX2-5720/W
The LUX2-5720 / 5720W Gen 2+ intensifier tube delivers excellent resolution, an optimized signal-to-noise ratio, and a long service life (>10,000 hours). Compact, rugged, and versatile, it is suitable for binoculars, weapon sights, and tactical systems.
Description
Description
The LUX2-5720 / LUX2-5720W is a Generation 2+ image intensifier tube designed to deliver reliable performance in low-light conditions. Featuring a highly sensitive S-25 photocathode and an optimized signal-to-noise ratio, it provides excellent resolution and a clear, sharp image even in demanding nighttime environments.
Robust and compact, the LUX2-5720 / 5720W is compatible with a wide range of night-vision systems, including binoculars, weapon sights, and tactical applications. With an average lifetime exceeding 10,000 hours, a shock-resistant design, and broad environmental adaptability, it offers a versatile solution for military, security, and civilian use.
Product Introduction
LUX2 Series image intensifier tubes is a 2nd-generation device employ a proximityfocused electron optical system and an S25+ photocathode with extended red response
and unity magnification. The product features protection against bright sources and
reverse polarity, and offers compact size, light weight, and low power consumption.
Features
Automatic Brightness Control (ABC)
Auto-Gating Power Supply Unit (PSU)
Anti-Fogging Glass Input Window
Micro-channel plate electron multiplier
High-Precision Assembly Technology
Technical Specifications
| Model | LUX2-5720 / LUX2-5720W |
| Description | Non-inverting |
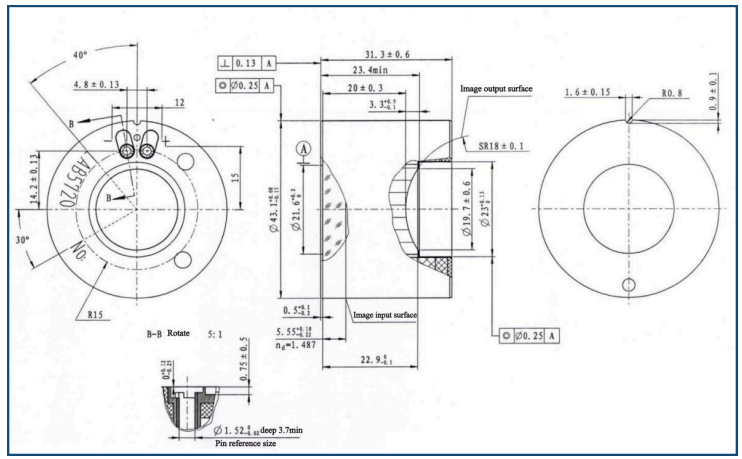
| Dimensions (mm) | Ø 43.1-0.15 × 31.3±0.6 |
| Contacts type | Contact plates |
| Photocathode useful diameter (mm) | 17.5 |
| Photocathode type | S25* Multialkali |
| Phosphor | P43 / P45 |
| Material of input/output window | Glass thickness 5.6 mm / FOE non-inverting, concave |
| Parameters | Minimum |
| Luminous photocathode sensitivity (µA/lm) | 800 |
| Radiant (850 nm) mA/W | 65 |
| Limiting resolution (lp/mm) | 64 |
| Signal-to-noise ratio | 22 |
| FOM | 1400 |
| Gain | 20,000 – 30,000* (on Buyer’s request) |
| Max. output brightness (cd/m²) | 4 – 8 |
| Modulation transfer function (MTF) 2.5 / 5 / 10 / 15 / 25 lp/mm |
86%; 70%; 45%; 25% |
| Power supply | Automatic brightness control |
| E.B.I. (µlx max) | 0.25 |
| Input voltage (V) | 2 – 3.4 |
| Input current (mA max) | 24 |
| Weight (g) | 98 |
| MTTF (h) | 10,000 |
Additional options:
– Shock-Resistant Design (Shock, m/s² (g): 5,000 (500))
– Optional P43 / P45 Phosphor Types
Environmental Adaptability:
– Operational temperature: -45°C ~ +52°C
– Relative humidity at t +40°C ~ 93%
Manufacturer’s warranties:
– 1 year warranty from the date of purchase.
– Mean time to failure – not less than 10,000 hours.
Purity of visual area
| Dark spots (Contrast >30%) Diameter (µm) | < Φ5.6mm | Φ5.6mm ~ Φ14.7mm | Φ14.7mm ~ Φ17.5mm |
| > 300 | 0 | 0 | 0 |
| 225 ~ 300 | 0 | 0 | 0 |
| 150 ~ 225 | 0 | 1 | 2 |
| 75 ~ 150 | 1 | 3 | 3 |
Dimensional drawing




